2014-05-01から1ヶ月間の記事一覧

クラニシ アンテナアナライザー BR-510の修理 −その10−

おはようございます、Tomです。今朝は、5時に起きて、草刈りをして、その後筍の伐採をして来ました。1週間ほったらかしにしていたし、最近雨が降ったりお天気だったりで、筍がうじゃうじゃ出ているのではないかと、心配していましたが、あまり心配したほど…

レーザーポインタを購入しました。

おはようございます、Tomです。昨日は、埼玉出張でしたが、結構暑かったですね。このお天気はしばらく続きそうです。週末は何をしましょうか?さて、今日のお話は、レーザーポインタの話です。昨日出張時に、出張先でお借りしたレーザーポインタが結構いい感…

FITのバンパー修復 

おはようございます、Tomです。昨日は、とても暑く、宮城も真夏日でした。今日も暑いんだろうな?今日は埼玉に出張ですので、あまり暑くないといいのですが・・・・。さて、連日アンテナアナライザの修理の記事を書いておりますが、最後の追い込みが難しく、…

クラニシ アンテナアナライザー BR-510の修理 −その9−

おはようございます、Tomです。昨日は、朝どんよりしていましたが、日中から晴れてきました。今日も朝から天気がよく、気持ちのいい朝です。今年は晴れ間が多くていいですね。でも、これで雑草も伸びるんだろうな〜。さて、クラニシのアンテナアナライザの修…

久しぶりの里山登り −福島 高柴山−

おはようございます、Tomです。今日も、どんよりとして、曇り空です。ちょっと憂鬱な気分です。さて、クラニシのアンテナアナライザの修理も少し一段落してきたので、日曜日は久しぶりに近くのローカルさんたちと里山登りを楽しんできました。今回登るのは、…

クラニシ アンテナアナライザー BR-510の修理 −その8−

おはようございます、Tomです。週末は、2日とも天気が良かったのですが、今日はどんよりと曇り空です。でも、週末だけでも電気が良いので、精神的に助かりますね。 さて、クラニシのアンテナアナライザの修理も、『その8』まで来ており、いよいよ大詰めを迎…

クラニシ アンテナアナライザー BR-510の修理 −その7−

こんばんは、Tomです。今日の朝方は曇りで、しかも風も吹いていましたが、日中は曇りも晴れ、とても良い天気になりました。さて、クラニシのアンテナアナライザーの修理は、あと一歩という所で、振り出しに戻りました。こんな時は、一時休戦して、頭を冷やす…

クラニシ アンテナアナライザー BR-510の修理 −その6−

おはようございます、Tomです。昨日の午前中から宮城県は晴れ模様になり、とても天気が良くなりました。お陰さまで、週末は2日間ともにとてもよい天気に恵まれています。明日は里山登りなので、お天気であることに感謝します。さて、クラニシのアンテナアナ…

クラニシ アンテナアナライザー BR-510の修理 −その5−

おはようございます、Tomです。今朝も、ちょっと天気が悪いですね。でも週末は天気が良くなるらしいので、まあいいか。さて、クラニシのアンテナアナライザの修理もその5まで来ました。前回の所では、LM358が怪しいという仮説を立てた所で終わり、今回はLM3…

クラニシ アンテナアナライザー BR-510の修理 −その4−

おはようございます、Tomです。今朝は天気が悪いので、早起きはしたものの、ゴルフの練習が出来ませんので、修理をすることにしました。さて、昨日から実施している、クラニシのアンテナアナライザ−BR-510の修理ですが、リファレンス機もお借り出来たので、…

クラニシ アンテナアナライザー BR-510の修理 −その3−

こんばんは、Tomです。今日は、久しぶりに雨降りでした。まさに恵みの雨でしたね。Tomの庭のクラピアも喉を潤したことでしょう。でも、この雨で、雑草や筍もまた元気になるかと思うと憂鬱な気分になるのが何とも悲しい話です。さて、今日もクラニシ アンテナ…

賞品到着!コメントを頂きました。

こんばんは、Tomです。今日、日本酒が当選者の方に届いたようです。 当選者の方からメールにて下記のコメントを頂きました。*****ここから****Tomさん、純米吟醸伯楽星届きました! 有難うございます!早速いただきました。 すっきりとしてとても飲…

クラニシ アンテナアナライザー BR-510の修理 −その2−

こんばんは、Tomです。今朝、5時起きして、筍掘りをしました。例によって、たくさん取れました。おおよそ70本くらい取れてしまいました。そこで、今日は会社に持って行き、会社の皆さんに貰っていただきました。助かった〜。 さて、今日は、先日のクラニシの…

40万アクセスの賞品発送!

こんにちは、Tomです。今日は、ものすごく天気が良かったのですが、少し風もあるせいか、乾燥して日陰に入るとヒンヤリする日でした。しかし、今年の5月は天気がいいですね。 もったいないので、朝5時に起きて、河川敷の早朝ゴルフ(ハーフ)を一人で回ってき…

オデッセイのヘッドライトの曇り除去

こんばんは、Tomです。今日は、おお天気が良かったのですが、風はかなり強かったです。通常の5月の天気とはちょっと異なりますね。さて、Tomは、5月の連休にTomの愛車『Avancia』のヘッドライトの曇りを除去しました。http://d.hatena.ne.jp/tomtom1ono/20…

リーズナブルなカラオケ

こんにちは、Tomです。昨日は寒かったですが、今日はまた朝からお天気になりました。 週末はまた高気圧が張り出して、お天気が良さそうですね。楽しみです。さて、今日の話題は、リーズナブルなカラオケです。 Tomは、音楽や歌は大好きですが、さすがに自宅…

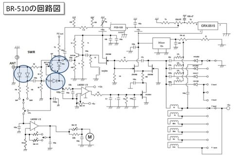
クラニシ アンテナアナライザー BR-510の修理 −その1−

おはようございます、Tomです。今日は曇り空の朝です。そんなわけで今日は少し涼しくなりましたね。これから、朝練です。さて、久しぶりの無線関連の修理です。 今回は、クラニシのアンテナアナライザ BR-510の修理です。このアンテナアナライザは、2012年の…

クラピアが息を吹き返しました。これからです!

こんにちは、Tomです。5月の連休から、毎日お天気が続いていますね。今朝の天気予報によると、今日の気温は30℃近くまで上がるとこの事でしたので、ジャケットの下は、半袖シャツを着てきましたが、依然曇りの天気で、今日はそこまでは暑くならないようです…

筍の放射線量を測定しました。

おはようございます、Tomです。先週の土曜日の夜から、Tomの体調は悪くなり、昨日は会社に行くのを考えましたが、何とか無事にこなしてきました。まだ、体調は回復していませんね。みなさん、体調には十分に気を付けてくださいね。さて、日曜日に今年初めて…

筍掘りをしました。ところが・・・・・・。

こんばんは、Tomです。今日も全国的に高気圧が張り出し、とても良い天気でした。でも、Tomは昨日の夜から体の調子が悪く、家でじっとしていました。今日の夕方、お友達のSugiさんが、筍掘りをしたいというので、朝6時に起きて、筍が出る畑一面の草刈りをしま…

今日は、最高のラウンドでした。

こんばんは、Tomです。今日は、朝から天気が良かったですね。ちょっと風があったけど、とても清々しい日でした。それもそのはず、Tomがこちらに来てから3回目のラウンドですが、自己ベストスコア(タイ)が出たからです。さて、結果ですが・・・・・ フロン…

JazzのCDをお借りしました。

おはようございます、Tomです。このところ毎日お天気が続いていますね。昨日の日中は、非常に温かく25度以上でした。このまま夏になるわけではないですが、夏の気温ですね。さて、5月の連休の前に、会社のお友達のAbさんに、JazzのCDをお借りしました。Jazz…

判りやすいスウィング解説

おはようございます、Tomです。昨日は、5月の連休明けの初日でした。大きな休みボケもなく、無事1日が過ぎました。後2日仕事をすれば、週末となります。楽しみです。さて、最近Tomは朝6時前に起き、寄せを30分、アイアンを30分練習しています。お蔭…

草刈り機のメンテナンス

おはようございます、Tomです。昨日で5月の連休は終わってしまいましたね。思い返してみると、ゴルフに2回行った他は、Avanciaの改良をしていた連休でした。でも、Tomとしては、これまでやりたかった事が出来たので大満足です。さて、5月の連休になると、突…

1000 円のアイアン

おはようございます、Tomです。昨日は5月5日、こどもの日でした。皆さんは家族サービスしましたか?Tomの子供は二人とも大きくなって、下の子供も4月に成人したので、もう大人の仲間入りです。 昨日は二人でお酒を飲みました。なんかいいですね。さて、To…

Avanciaの改良計画 −その8−最終回

おはようございます、Tomです。今日で五月の連休後半の3日目です。連日良い天気が続いておりましたが、本日は少し陰りが出てきました。さて、『Avanciaの改良計画』も、いよいよ『その8』となり、最終回になりました。 今回は、バックモニタを取り付けて完…

Avanciaの改良計画 −その7−

おはようございます、Tomです。今日は、五月の連休の後半2日目です。昨日は、Tomの兄弟家族総勢15人が集まり、バーベキューなどをして、とても楽しいひと時を過ごしました。お天気も良く、気温も25度まで上がり、まさに初夏という感じでした。さて、『Avanci…

Avanciaの改良計画 −その6−

おはようございます、Tomです。今日から5月の連休後半が始まります。お天気はすこぶる良く、とても楽しそうな4連休ですね。さて、今日の話題は、連日投稿している『Avanciaの改良計画』のその6です。今回は、実際車に何かするのではなく、その前の準備の話…

Avanciaの改良計画  −その5−

おはようございます、Tomです。今日は5月の連休の間の出勤日の最終日で、明日からまた4連休となります。嬉しいですね。昨日はアクセスカウンタが40万アクセスを記録し、cimajin様が、見事40万アクセスカウンタをGETされました。 本当におめでとうございま…

40万アクセスカウンタのGET、おめでとうございます!

こんばんは、Tomです。 本日、見事40万アクセスになりました。 これも一重に読者の皆様のお蔭であると、大変感謝しております。それから、見事40万アクセスカウンタをGETされましたcimajin様、本当におめでとうございます。賞品は、『仙台牛タン』または『美…